There has been justifiable anger over mischaracterization of Rosalind Franklin's data as "confirming" the Watson-Crick DNA model. The model was actually based in part on her famous photograph 51, which they used without her knowledge and without attribution. I'll explain 1/n https://twitter.com/PDBeurope/status/1286915870204321792
In the 1950s, it was not possible to determine the 3D structure of DNA (or any macromolecule) at atomic resolution. But it was possible to learn about overall DNA parameters by recording the way long DNA fibers scattered x-rays. This is known as x-ray fiber diffraction. 2/n
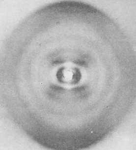
The X-pattern seen in data from both Rosalind Franklin and Maurice Wilkens clearly showed that DNA adopted a long helical structure. It is possible to derive detailed parameters about the helix (width, repeat, spacing between base pairs) IF the data are of high quality. 3/n
The data from Maurice Wilkens were not of sufficient quality to get all the information W&C needed. Here is his fiber diffraction that was published in the @nature paper that accompanied W&C's famous paper. You can see the X, but it is otherwise pretty smeary. 4/n
Note how much sharper the features are in Franklin's data. The top smear showed bases were 3.4 Å apart, while the spacing between the layer lines showed the pitch was 34 Å, which mean the helix had 10 bp/turn. 5/n
There were other data not shown here that showed the two DNA strands were antiparallel. The missing 4th layer line in this photo meant that the two strands were not symmetrically coiled - i.e. the grooves were not of equal size (major and minor grooves). 6/n
These detailed parameters could only be derived from Franklin's data (recorded with student Ray Gosling), not from Wilkins's. Max Perutz showed W&C Franklin's data in a grant application, without her knowledge. This information helped W&C contruct their model for B-DNA. 7/n
It was not until 1980 that Watson & Crick's model for B-DNA was confirmed by Dickerson & Drew, who determined the x-ray crystal structure of a 12-bp B-DNA helix (PDB ID 1BNA). 8/n
You can follow @CWolberger.
Tip: mention @twtextapp on a Twitter thread with the keyword “unroll” to get a link to it.

Latest Threads Unrolled:

By continuing to use the site, you are consenting to the use of cookies as explained in our Cookie Policy to improve your experience.